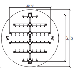
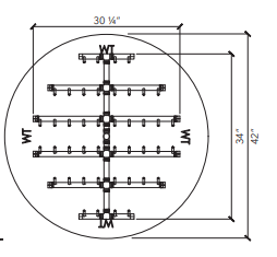
Take complete control of your custom fire feature project. The 440K BTU Circluar Tree Match Lit Crossfire Burner System - 42" allows you to do just that. This match lit gas burner is the missing piece in your DIY puzzle, and it produces flames that provide up to 440,000 BTUs of heat. You can rest assured that it's been engineered to a high standard, because it's certified by the International Code Council, having met all international building codes. It's also covered by a full lifetime warranty.
The 440K BTU Circluar Tree Match Lit Crossfire Burner System - 42" gives you the power to easily complete your undertaking. Warming Trends has designed this burner to create such an incredible air-to-gas mixture ratio that the resulting flames will literally outshine those seen from conventional fire rings. Even better, these flames use only half the fuel of competing fire rings. You should expect no less from a USA manufactured burner! As if that weren't enough, the completely brass construction yields high corrosion resistance, as well. Order this modern marvel today!
Features:
- CrossFire Technology provides double the flame height of traditional burner rings
- 100% brass construction ensures corrosion resistance
- Made in USA and comes with a lifetime warranty
Recommended parts:
- Plate: ALPL42C (circle)
- 3/4" Dual Flex Line Kit
- Optional 7x Support Collars
Compatible Ignition Systems: 24 Volt Hot Surface Ignition (HC)